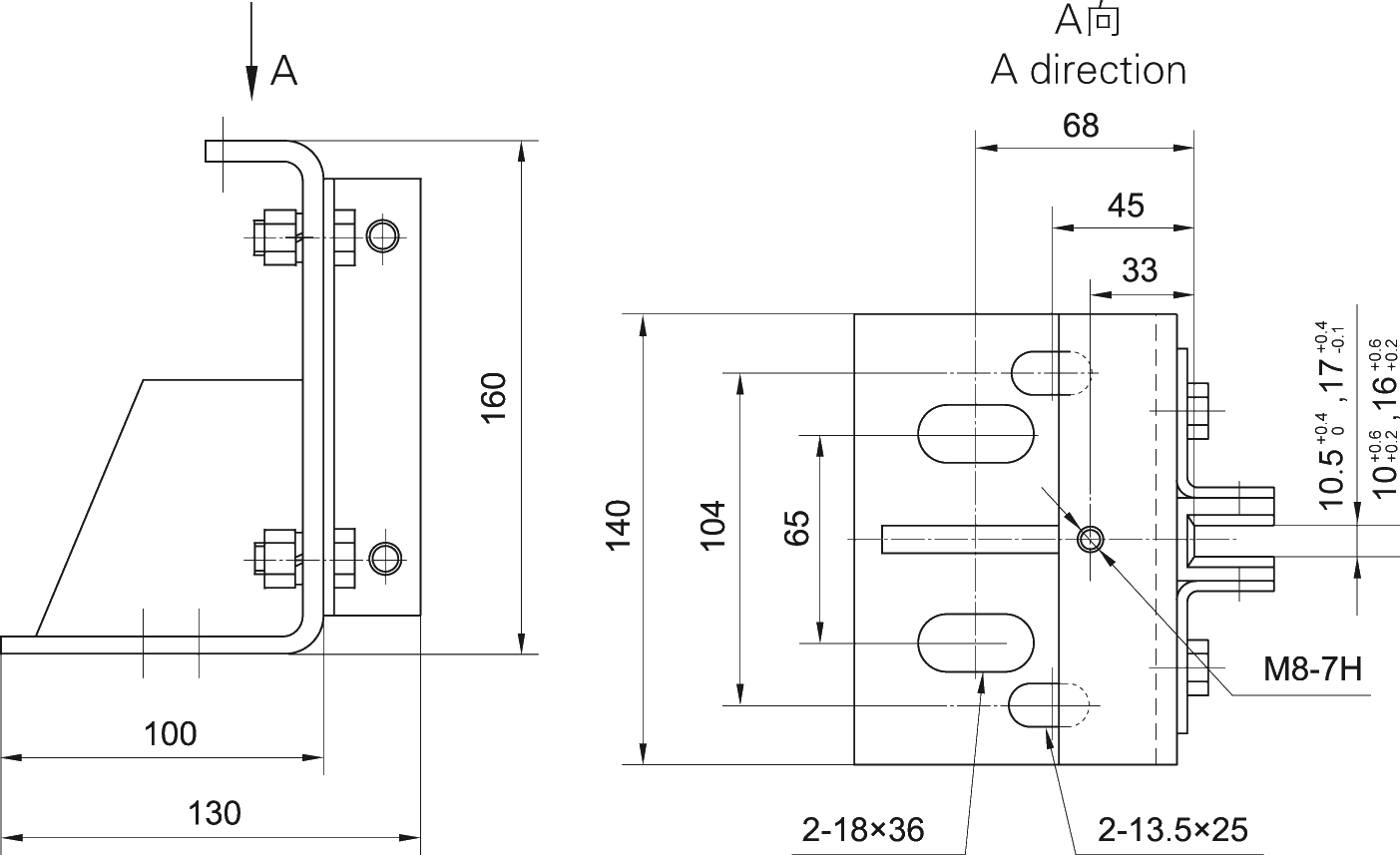
DX4滑動導(dǎo)靴
技術參數
1、額定(dìng)速度:V≤1.75m/s
2、導軌寬度:10、16mm
  空心導軌寬度:10、16.4mm
詳情可致電“86-316-2018793”谘詢
產品(pǐn)介紹


网站地图 草莓丝瓜香蕉向日葵榴莲绿巨人ios-榴莲视频向日葵视频绿巨人视频-草莓丝瓜向日葵黄瓜榴莲污绿巨人-午夜向日葵视频在线视频观看视频-草莓丝瓜香蕉向日葵榴莲大全解锁版下载-丝瓜草莓榴莲向日葵18岁app下载