|
|
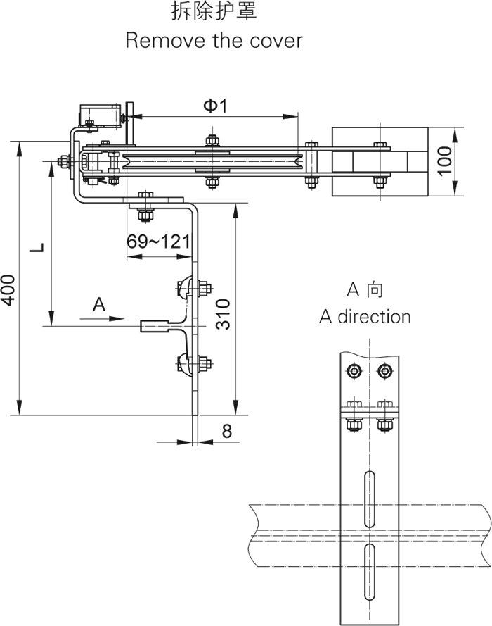
WXS雙向限速器具體(tǐ)規格如下
Refer to the following for the detailed specifications
序號 No. |
型號 |
繩(shéng)輪節圓直徑Φ1(mm) |
繩輪直徑(jìng)Φ(mm) |
鋼絲繩直徑 |
額定速度 |
繩張力(N) Rope |
總高(H) |
|
1 |
WXS1 |
250 |
256 |
Φ8 |
1.0 |
1000-3900 |
332 |
|
2 |
WXS2 |
300 |
306 |
Φ8 |
1.50 |
1000-3900 |
357 |
|
3 |
WXS3 |
300 |
306 |
Φ8 |
1.75 |
1000-3900 |
357 |
|
4 |
WXS4 |
250 |
256 |
Φ8 |
0.5 |
1000-3900 |
332 |
|
5 |
WXS5 |
200 |
204 |
Φ6 |
1.00 |
1000-2200 |
306 |
|
6 |
WXS6 |
300 |
306 |
Φ8 |
1.60 |
1000-3900 |
357 |
|
7 |
WXS7 |
300 |
306 |
Φ8 |
2.0 |
1000-3900 |
357 |
|
8 |
WXS8 |
300 |
306 |
Φ8 |
2.5 |
1000-3900 |
357 |
|
9 |
WXS (Y) |
200 |
204 |
Φ6 |
0.40 |
1000-2200 |
306 |
|
繩輪節 |
鋼絲繩 |
A |
繩中心至導軌中心距離(mm} |
中心至(zhì)地麵最小距離L2(mm) The minimum distance between the center and the ground |
|||||
|
適用導軌型號 The suitable guide rail type |
|||||||||
|
L1 |
L |
||||||||
|
T75 |
T89/T90 |
T114 |
T75 |
T89/T90 |
T114 |
||||
|
200 |
Φ6 |
220 |
225 |
217-233 |
207-243 |
214〜266 |
206-274 |
218-262 |
400 |
|
250 |
Φ8 |
272 |
245 |
237-253 |
227-263 |
420 |
|||
|
300 |
324 |
450 |
|||||||





