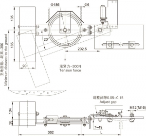
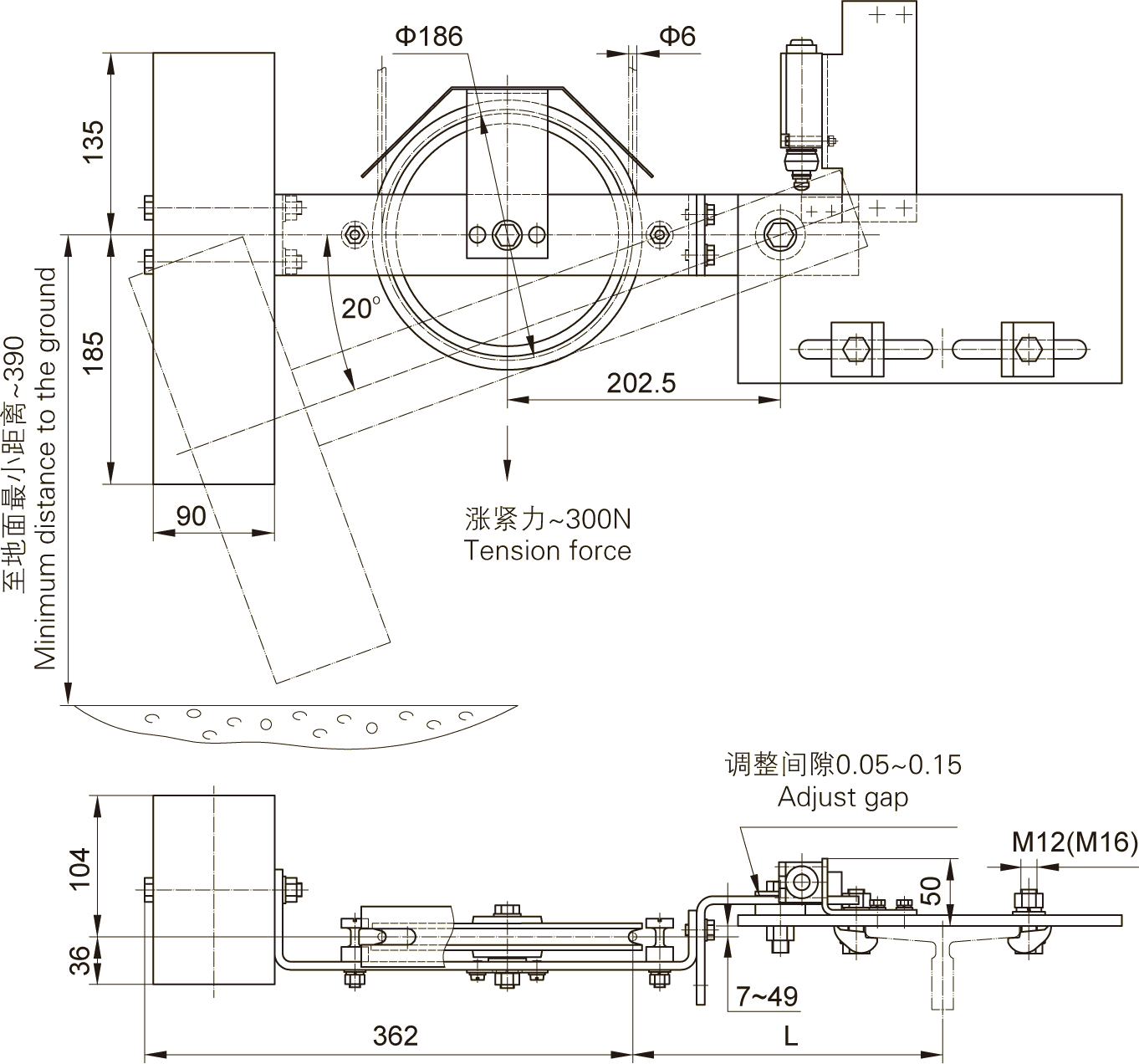
BZJ1F張緊裝置
本張緊裝置為擺臂式結構,張緊重塊材料為符合材料,位置尺寸的調整範(fàn)圍見(jiàn)附(fù)表。
注:用於電梯導軌T125/B、T127-1/B、T127-2/B、T140-1/B時,訂(dìng)貨單中應注明導軌型號。
詳情可致電“86-316-2018793”谘詢
產品介紹


网站地图 草莓丝瓜香蕉向日葵榴莲绿巨人ios-榴莲视频向日葵视频绿巨人视频-草莓丝瓜向日葵黄瓜榴莲污绿巨人-午夜向日葵视频在线视频观看视频-草莓丝瓜香蕉向日葵榴莲大全解锁版下载-丝瓜草莓榴莲向日葵18岁app下载