BZJ2D對重擺臂式張緊裝置(zhì)
技術參數
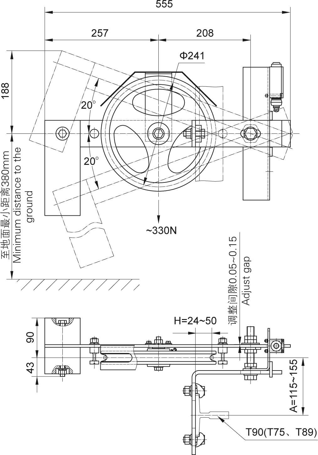
1、繩輪(lún)節圓直徑:Φ241mm
2、鋼絲繩直徑(jìng):Φ8mm
3、張緊力:330N
詳情可致電“86-316-2018793”谘(zī)詢
產品介紹

网站地图 草莓丝瓜香蕉向日葵榴莲绿巨人ios-榴莲视频向日葵视频绿巨人视频-草莓丝瓜向日葵黄瓜榴莲污绿巨人-午夜向日葵视频在线视频观看视频-草莓丝瓜香蕉向日葵榴莲大全解锁版下载-丝瓜草莓榴莲向日葵18岁app下载