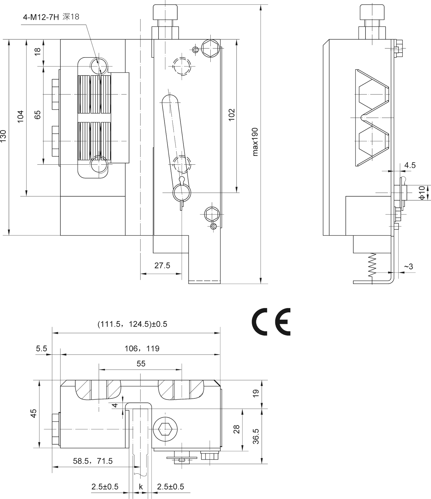
AQ32K安全鉗
1、額定速度V:0.6~1.75/0.5~1.75m/s
        0.63~1.75/2.0/0.5~2.0m/s
2、總容許質量(P+Q)1:575-1600kg
            1200-2700kg
3、導軌寬度:9、10、15.88、16mm
注:具體參數請參看下表
詳情(qíng)可致電“86-316-2018793”谘詢
產品介紹
AQ32K安(ān)全鉗

AQ32K安全鉗

AQ32K安全鉗

网站地图 草莓丝瓜香蕉向日葵榴莲绿巨人ios-榴莲视频向日葵视频绿巨人视频-草莓丝瓜向日葵黄瓜榴莲污绿巨人-午夜向日葵视频在线视频观看视频-草莓丝瓜香蕉向日葵榴莲大全解锁版下载-丝瓜草莓榴莲向日葵18岁app下载